

|
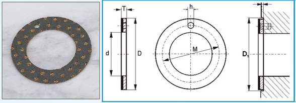
軸徑
|
代號
|
墊片尺寸
|
安裝尺寸
|
|||||
|
d +0.25
|
D -0.25
|
T -0.05
|
M ±0.125
|
h+0.4
+0.1 |
t±0.2
|
D1+0.12
|
||
|
8
|
WC10
|
10
|
20
|
1.5
|
15
|
1.5
|
1
|
20
|
|
10
|
WC12
|
12
|
24
|
18
|
24
|
|||
|
12
|
WC14
|
14
|
26
|
20
|
2
|
26
|
||
|
14
|
WC16
|
16
|
30
|
23
|
30
|
|||
|
16
|
WC18
|
18
|
32
|
25
|
32
|
|||
|
18
|
WC20
|
20
|
36
|
28
|
3
|
36
|
||
|
20
|
WC22
|
22
|
38
|
30
|
38
|
|||
|
22
|
WC24
|
24
|
42
|
33
|
42
|
|||
|
24
|
WC26
|
26
|
44
|
35
|
44
|
|||
|
26
|
WC28
|
28
|
48
|
38
|
4
|
48
|
||
|
30
|
WC32
|
32
|
54
|
43
|
54
|
|||
|
36
|
WC38
|
38
|
62
|
50
|
62
|
|||
|
40
|
WC42
|
42
|
66
|
54
|
66
|
|||
|
46
|
WC48
|
48
|
74
|
2
|
61
|
1.5
|
74
|
|
|
50
|
WC52
|
52
|
78
|
65
|
78
|
|||
|
60
|
WC62
|
62
|
90
|
76
|
90
|
|||